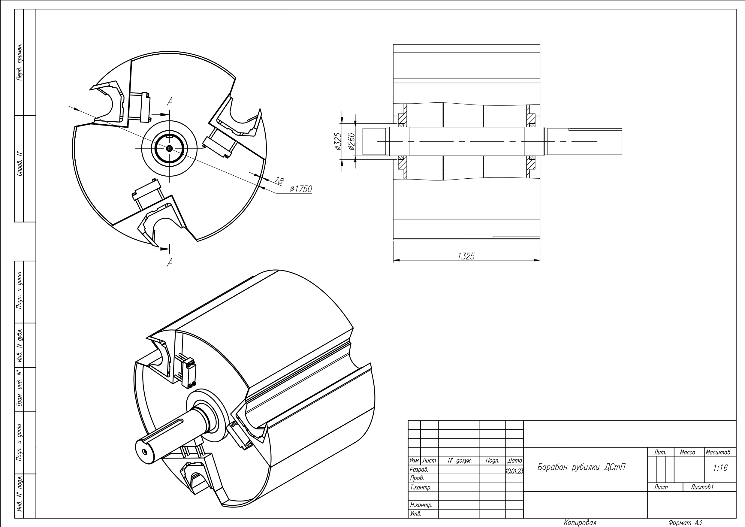
Основная часть дробилки - это режущий барабан, под ножами которого находится полость в которую поступает срезанная щепа, затем она выбрасывается из него под воздействием силы вращения через один из торцевых проемов. Подобные машины используют поперечное резание. На них щепа выходит однородной и мало повреждается, что повышает ее качество, в том числе для целлюлозной промышленности.
Процесс изготовления барабанов для барабанных рубительных машин
Изготовление барабанов для барабанных рубительных машин является сложным процессом, требующим применения специальных технологий и оборудования.
Основной материал для изготовления барабанов — это легированная износостойкая сталь, так как она обладает повышенной прочностью и устойчивостью к ударам и нагрузкам. Изготовление барабанов включает несколько этапов: резка металла, вальцовка обечайки, сварка, токарная и фрезерная обработка, расточка на горизонтально-расточном станке. При необходимости, на части подверженные усиленному износу наносится износостойкая наплавка. Последней стадией производства является балансировка барабана и покраска.
Ремонт и восстановление
Поскольку рубильный барабан при работе испытывает колоссальные нагрузки, зачастую после нескольких лет эксплуатации он может выйти из строя. Даже несмотря на то, что он изготавливается из специальной легированной стали, усталость металла никто не отменял и у него со временем появляются микротрещины, которые постепенно прогрессируют и становятся довольно опасными. Так же довольно частая причина выхода барабана из строя – это попадание в него кусков металла, которые могут находится в стволе дерева, к примеру осколки от снарядов ВОВ.
Компания Симиди имеет большой опыт по ремонту рубильных барабанов, восстановим геометрическую целостность, заменим изношенные части, при необходимости усилим слабые места.
